Der Luxus, im Zuge eines OP-Neubaus die strukturellen Gegebenheiten und Räumlichkeiten direkt am Prozess orientiert zu planen und zu gestalten ist nur den wenigsten Einrichtungen vergönnt. Die meisten Kliniken müssen auf die bestehenden räumlichen Gegebenheiten zurückgreifen. In vielen Fällen handelt es sich dabei um ältere Gebäudeeinheiten, bei deren Planung und Erbauung die Erkenntnisse des OP-Managements und der Prozessoptimierung im OP nur im Ansatz Berücksichtigung gefunden haben. Problempotenzial für den prä-, peri- und postoperativen Prozess findet sich oftmals in folgenden OP-Bereichen:
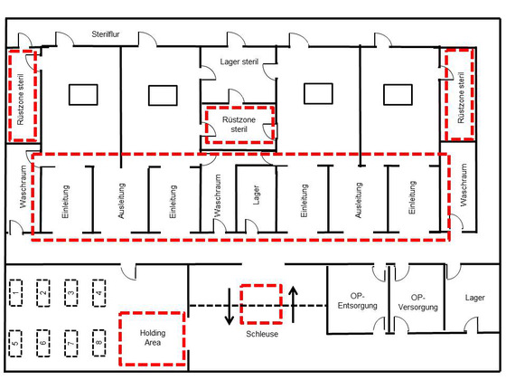
Patientenschleuse
In vielen Krankenhäusern stellt die Patientenschleuse ein Nadelöhr dar. Werden Patienten nicht zeitversetzt einbestellt bzw. ergeben sich Transportverzögerungen durch die Station, kommt es an der OP-Schleuse zu einem Stau, was wiederum zu langen Wartezeiten führt, zum einen für die Patienten, die auf die OP warten, zum anderen für die Stationsmitarbeiter, welche ihre Arbeit auf Station nicht wieder aufnehmen können. Verfügt ein OP-Trakt darüber hinaus lediglich über eine einzige Schleuse, in der Patienten sowohl ein- als auch ausgeschleust werden, wird die Situation zusätzlich verschärft. Der Aufbau einer Doppelschleuse sowie die Einrichtung einer Holdingarea können hier Abhilfe schaffen. Im Idealfall befindet sich der Aufwachraum in unmittelbarer Nähe zur Schleuse. Wird die Holdingarea in den Räumlichkeiten des Aufwachraums angesiedelt, ist auch die kontinuierliche Überwachung der präoperativen Patienten sichergestellt.
Ein- und Ausleitung
Ungeplante Verzögerungen in den Abläufen erfolgen darüber hinaus im Zuge der Ein- und Ausleitung. Die räumlichen Gegebenheiten in den meisten Krankenhäusern ermöglichen bereits die gleichzeitige Durchführung der Ausleitung eines Patienten und der Einleitung des Folgepatienten. Oftmals werden sogar pro OP-Saal jeweils ein Raum für die Ein- und Ausleitung vorgehalten. In der praktischen Umsetzung ergeben sich hier jedoch Probleme, da eine parallele Ein- und Ausleitung für einen OP-Saal nur erfolgen kann, wenn die Anästhesie personell ausreichend besetzt ist. Im Gegensatz zur Einleitung, die insbesondere zu Beginn eines OP-Tages parallel in verschiedenen Sälen erfolgt, ist es möglich einen Ausleitungsraum für zwei OP-Säle vorzuhalten. So wird räumliche Kapazität geschaffen, die anderweitig, beispielsweise als Vorrüstzone, genutzt werden kann. In der Literatur finden sich bereits Ansätze, die zusätzlich eine Reduktion von Einleitungsräumen bis hin zur Zentralisierung der Einleitung vorsehen. Hier spricht man von sogenannten Cluster-Lösungen, bei denen die OP-Säle um einen Einleitungsraum gruppiert und lange Flure im OP-Trakt nach Möglichkeit vermieden werden [1].
Vorrüstzonen
Vorrüstzonen dienen der Prozessoptimierung, indem sie eine parallele Vorbereitung der Folgeoperation ermöglichen, während beispielsweise der OP-Saal von der vorausgehenden OP gereinigt wird bzw. der Patient ausgeleitet wird. Die Einrichtung von Vorrüstzonen ist notwendig, um eine prozessorientierte Ablaufplanung im OP sicherzustellen und Leerlaufzeiten zu vermeiden. Hierbei sollte jedoch stets sichergestellt werden, dass Sterilität und ein unmittelbarer Zugang zum OP-Saal gewährleistet sind.
Der Bau eines neuen OP-Traktes steht für die meisten Kliniken, welche sich für ein prozessorientiertes OP-Management entscheiden, nicht zur Disposition. Die Alternative ist die Analyse der bestehenden Infrastruktur, die Identifikation von baulichen Hindernissen und die Ergreifung von Umbaumaßnahmen in den bestehenden Strukturen. Die Abbildung am Ende zeigt einen klassischen OP-Trakt. Die beschriebenen kritischen Zonen sind markiert. Bereits kleinere Umbaumaßnahmen und die Umwidmungen von Räumlichkeiten können zu Verbesserungen im Prozessablauf führen.
Die Aufrechterhaltung einer modernen Ausstattung ist in OP-Bereichen von Krankenhäusern bereits aus Gründen der Patientensicherheit notwendig. Sollte im Zuge einer Modernisierung die Errichtung eines neuen Gebäudekomplexes angedacht sein, so ist bereits bei der Planung des Neubaus auf eine prozessorientierte Infrastruktur zu achten. Dies betrifft nicht nur den OP-Bereich, auch bei der Planung von Bettenhäusern kann eine systematisch am Prozess und Patientenweg geplante Infrastruktur die Abläufe deutlich verbessern, Wegezeiten und damit auch Wartezeiten reduzieren und letztendlich sowohl die Patienten- als auch die Mitarbeiterzufriedenheit verbessern. Eine systematische Analyse der Prozesse ist dabei eine unumgängliche Voraussetzung, sei es bei der Planung neuer Gebäudeeinheiten oder bei der Restrukturierung der bestehenden Infrastruktur.
Literatur
[1] Welk, Ina und Bauer, Martin (2011): OP-Management – Von der Theorie zur Praxis. Springer-Verlag Berlin-Heidelberg.
